FREKVENTNI REGULATORI, Tip ME300, Delta Electronics
Deltina ME300 serija je nova generacija kompaktnih vektorskih regulatora koja zadržava Deltin izuzetan standard tehnologije izrade frekventnih regulatora, ali sa 60% manjom veličinom. To smanjuje potrebu za dodatnim troškovimai obezbeđuje više prostora za instalaciju unutar kontrolnog ormana. Razne bitne funkcije su ugrađene kao standard, uključujući: korisnički definisane grupe parametara, single i multi-pump funkcije, ugrađeni kočioni čoper i EMC filter (C2 klasa). ME300 takođe podržava asinhrone kao i motore sa permanentim magnetima (unutrašnjim i spoljašnjim), pružajući dodatnu efikasnost i fleksibilnost. STO funkcija obezbeđuje nesmetan rad, a novi dizajn ožičenja terminalnih blokova bez šrafova nudi pojednostavljen proces ožičenja za brzu instalaciju.
- Visoka vrednost polaznog momenta >200%
- Energetska rezerva usporavanja (Deceleration Energy Backup – DEB) kontroliše usporavanje motora do zaustavljanja kada dodje do neočekivanog prekida napajanja, kako bi se sprečilo mehaničko oštećenje
- Režim kontrole energije usporavanja skraćuje vreme kočenja podešavanjem brzine i struje motora i zamenjuje potrebu za kočnim otpornicima
- Podržava pojedinačni impuls i PWM ulaz (10 kHz) iz kontrolera
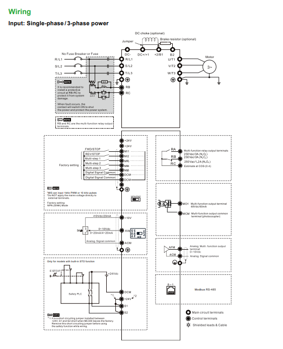
- RS485 (Modbus) komunikacija
- Mogućnost visokog preopterećenja: pri normalnom radu mogućnost preopterećenja od 120% u trajanju od 60 sekundi ili 150% u trajanju od 3 sekunde, a pri radu u teškim uslovima mogućnost preopterećenja od 150% u trajanju od 60 sekundi ili 200% u trajanju od 3 sekunde










Recenzije
Još nema komentara.