FREKVENTNI REGULATORI, Tip MS300, Delta Electronics
Deltina MS300 serija je nova generacija kompaktnih vektorskih regulatora koja zadržava Deltin izuzetan standard tehnologije izrade frekventnih regulatora, ali sa 40% manjom veličinom. Razne osnovne funkcije su ugrađene kao standard, uključujući: PLC za jednostavne potrebe programiranja (2000 stepova), komunikacioni slotovi za različite komunikacione kartice i USB port za otpremanje i preuzimanje podataka brzo i lako. Tim se smanjuje potreba za dodatnim hardverom, istovremeno pružajući više prostora za instalaciju unutar kontrolnog ormana. MS300 takođe podržava asinhrone kao i motore sa permanentim magnetima (unutrašnjim i spoljašnjim), pružajući dodatnu efikasnost i fleksibilnost. STO funkcija obezbeđuje nesmetan rad, a novi dizajn ožičenja terminalnih blokova bez šrafova nudi pojednostavljen proces ožičenja za brzu instalaciju.
- Visoka vrednost polaznog momenta >200%
- Energetska rezerva usporavanja (Deceleration Energy Backup – DEB) kontroliše usporavanje motora do zaustavljanja kada dodje do neočekivanog prekida napajanja, kako bi se sprečilo mehaničko oštećenje
- Režim kontrole energije usporavanja skraćuje vreme kočenja podešavanjem brzine i struje motora i zamenjuje potrebu za kočnim otpornicima
- Podržava pojedinačni impuls i PWM ulaz (10 kHz) iz kontrolera
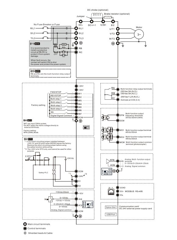
- RS485 (Modbus) komunikacija (opcija dodavanja mnogih drugih komunikacionih kartica)
- Mogućnost visokog preopterećenja: pri normalnom radu mogućnost preopterećenja od 120% u trajanju od 60 sekundi ili 150% u trajanju od 3 sekunde, a pri radu u teškim uslovima mogućnost preopterećenja od 150% u trajanju od 60 sekundi ili 200% u trajanju od 3 sekunde
- Kompatibilan sa Deltinim sinhronim reluktantnim motorom sa permanentim magnetima (MSI serija). U paru ostvaruju IE5 standard visoke efikasnosti i uštede energije.
- Mogućnost side-by-side instalacije (bez razmaka izmedju susednih frekventnih regulatora unutar ormana) na radnim temperaturama od -20°C do 40°C
- Moguće upravljanje 4 različita asinhrona motora (switching control)
- IP40 modeli kao i IP66 modeli (za zaštitu u zahtevnim uslovima)










Recenzije
Još nema komentara.